跳转到主要内容

Aloe联合Macom在ECOC上演示180-Gbaud PAM4 硅光调制器

日期: 栏目:光纤新闻 浏览:
9/29/2025,,Aloe Semiconductor 宣布,将在丹麦哥本哈根举行的欧洲光通信会议(ECOC)上,展示其新型硅光调制器在 180 Gbaud PAM4(360 Gb/s)下的运行结果。该结果创下硅光调制器 PAM4 符号率的新纪录,并证明无需引入新材料或新工艺,即可有望实现 425 Gb/s 的单通道速率。

Aloe 首席执行官 Christopher Doerr 表示:“这款调制器彰显了硅光子的顽强生命力。凭借创新设计,硅光在沿用现有工艺的前提下不断突破速率极限,让产业界继续享受硅的规模化与组装优势。”

据了解,该款硅光调制器采用全新设计,但无需特殊工艺或材料,完全在标准硅光晶圆厂流片,未使用 LiNbO₃、BTO、InP 或聚合物等非 CMOS 材料。器件仅需单路常规差分驱动器,无需 3D 集成,阻抗标准。

演示中,调制器由 MACOM 最新 400 Gb/s 单通道驱动器 MAOM-025408 驱动。驱动器与调制器倒装焊于同一块 PCB 上(见图 1)。电信号源为 Keysight M8199B 任意波形发生器的单路差分输出。
 
图 1. 封装后的 PIC 与驱动器照片。
 
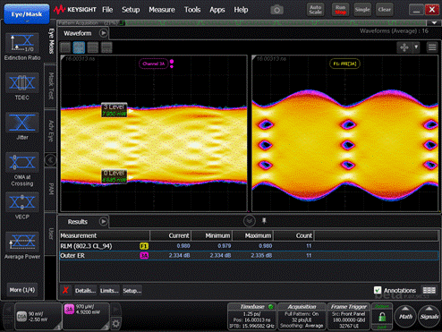
图 2 给出 180 Gbaud PAM4 眼图(消光比 2.3 dB),无离线处理;
 
图 3 为相同速率但经离线 FFE 处理的眼图;

图 4 为 190 Gbaud PAM4 经离线 FFE 处理的眼图。

此次演示进一步巩固 Aloe 利用硅光技术为光通信打造更高速度、应用导向方案的领先地位。

欢迎参观 ECOC 2025 展会 MACOM 展台 #C3419,观看静态展示并了解 MACOM 3.2 Tb/s 单模发射解决方案。

Aloe Semiconductor 成立于 2022 年,由前 Acacia Communications 先进研发副总裁 Christopher Doerr 创办,总部位于美国新泽西。了解更多:https://aloesemi.com

关于 Aloe Semiconductor, Inc.
Aloe Semiconductor 是一家半导体设计公司,专注为光通信提供基于硅光子的顶级光电集成芯片。公司致力于开发行业领先、高性能、应用导向的硅光与电子融合解决方案。
标签: